Scambiatore di calore / condensatore da 10 m2 in AISI316L
In primo piano

Non disponibile
Scambiatore di calore / condensatore da 10 m2 in AISI316L
Posizione:Guardamiglio, Italia
Descrizione
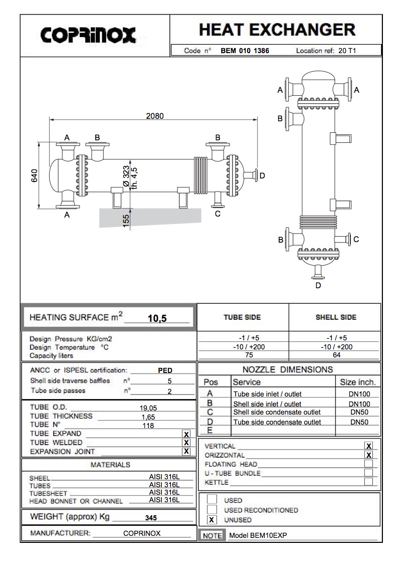
Scambiatore di calore / Condensatore a fascio tubiero da 10 metri quadrati, diametro mantello 323 mm, diametro tubi 19,05 mm, costruttore COPRINOX, passaggio lato tubi in AISI 316L, passaggio lato mantello in AISI 316L. Giunto di dilatazione. Pressione di progetto lato tubi -1 / +5 Bar, temperatura di progetto lato tubi -10 / +200°C, pressione di progetto lato mantello -1 / +5 Bar, temperatura di progetto lato mantello -10 / +200°C, collaudo PED. Modello BEM10 EXP.
Specifiche
| Produttore | COPRINOX |
| Modello | BEM10 BEM10EXP |
| Condizione | Nuovo |
| Numero di magazzino | BEM 010 1386 |
| Superficie | 10 metri quadrati |
| Costruttore | COPRINOX |
| Pressione lato 1 | -1 / +5 bar |
| Temperatura lato 1 | -10 / +200 °C |
| Pressione lato 2 | -1 / +5 bar |
| Temperatura lato 2 | -10 / +200 °C |
| Certificazione | PED |
| Materiale lato 1 | AISI 316L |
| Materiale lato 2 | AISI 316L |




